◆ハードディスクのターミネータ問題◆



Portableに内蔵させるSCSIハードディスクには,ターミネータが必要です.ハードディスクによってターミネータがついているものとついていないものがあり,もしついていないとディスクがうまく認識されません.
純正のConner製ハードディスクを使う場合には気にする必要はありませんが,変換ケーブルを用いて普通の2.5インチ/3.5インチハードディスク,あるいはコンパクトフラッシュ等その他のメディア(ドライブ)を使用する場合には注意が必要です.ドライブによっては,ジャンパ設定によりターミネータON/OFFを切り替えられるもの,あるいは集合抵抗を半田付けしてターミネータONに出来るものなどがありますが,そうでない場合は対策を考えなければなりません.
このあたりの事についてはしんかいさんのところに詳しい説明と,実際の対処方法が記載されているのですが,ここにもあらましをまとめておきます.

(SCSI機器も今や殆ど見かけなくなりましたが)SCSIにおけるターミネータの役割とは,SCSIの終末部分での信号の反射ノイズを吸収して機器を安定動作させる事にあります.細かい説明は省きますが,内蔵SCSIハードディスクをロジックボード上の内部SCSI端子に接続する場合,この両者の間にターミネータが1個必要になるわけです.
で,この信号を安定させるための1つの方法として,Developer Noteには,

Internal termination is supplied by the drive itself and is configured as a single-ended 1.3KOrm pull-up resistor to +5V.

と書かれています.
「『プルアップ』って何?」と思われた方もいらっしゃるでしょう.
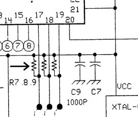
電子回路に詳しい方なら,例えばこんな回路図を見た事はありませんか?

図中→の部分の3つの抵抗に注目して下さい.
ICから出ている信号線と,プラス電圧(Vcc)のかかっている線との間に抵抗が橋渡しされています.
これをプルアップ抵抗(pull-up resistor)と呼びます.
プルアップ抵抗は,電気回路においてラインに何も接続されていない状態になった時,電位を安定に保つ(固定する)働きをします.

上記英文の内容を図にすると,つまりはこういう事になる訳です.



18本の信号線と+5Vとの間に,上記プルアップ抵抗(1.3KΩ)を18個繋げるのです.
+5Vは内部SCSI端子の+5Vラインから直接取って大丈夫です.
18本の信号線とは,すなわち,
 /REQ,/MSG,/C/D,/I/O,/ACK,/ATN,/BSY,/RST,/SEL,/DBP,
 /DB0,/DB1,/DB2,/DB3,/DB4,/DB5,/DB6,/DB7
です.
このあたりは,テクニカルノートのSCSI関連の部分と照らし合わせて下さい.
ターミネータを内蔵していないハードディスク等を使用する場合,この回路図に従って信号線をプルアップして下さい.そうすれば多分うまく認識されると思います.
実際の工作に関しては,しんかいさんのホームページを参照して下さい.

蛇足ながら,これが集合抵抗です.
これを例にとると,●印のついた端子を共通として8本の1KΩ抵抗が入っています.
実際に回路を組み立てる時は,これを使うと良いでしょう.
その他,4連タイプ等も売られています.



→■Portableの部屋

→■更新記録このページについて医学関係音楽関係Macintosh関係その他諸々過去のDiaryリンク
→■トップページ